| 摘要:本文通过变频器选型,控制电路设计,参数调试几个方面论述了贝加特驱动变频器在印刷机上的合理使用。 关键词:变频器 高速双面印刷机
 1 引言
 平版印刷是报纸、书刊和装潢印刷业的骨干设备,在印刷业市场占有率达35%以上。 随着人们对高速印刷高质量的印刷品需求的增大,2007年印刷机械设备全行业销售额为大约100亿元,其中印刷机械出口为2.62亿美元,印刷机械进口额为17.16亿美元,折成人民币约为160亿元,中国市场印刷机械总销售额为225~230亿元。随着印刷机械科技的发展,印刷机械出口量将逐年增加,国内市场占有率将大幅增长,对变频器的需求将呈增长趋势。RBS940A项目是公司开发的变频传动高速双面平版印刷机。RBS940A整机包括输纸机、收纸机和主机三部分。对主电机,上、下水辊电机,制动辊电机均要求无级调速。在此机型上选用了贝加特驱动系列变频器对四个电机进行了控制。
 
 2 变频器选型
 因印刷机主轴电机达到11kW,为了适应印刷生产调试频繁低频点动时的人身安全,要求调速系统有良好的低速特性。同时,为了减少印刷过程中纸张的浪费,要求有良好的快速制动特性。最后,要求传动系统性能可靠。经过认真查阅各变频器的技术参数及性价比分析,项目主轴传动选用了贝加特驱动的B&T2000-4T0110G变频器。B&T2000变频器在0.5Hz可以达到180%的额定转矩,能承受150%额定输出电流1分钟,200%额定输出电流0.5秒钟,满足机床2Hz时的频繁点动。
   水辊等辅传动电机仅有0.3kW,功率较小,但要求低频时启动转矩大,选用了性价比较高的B&T800-2S0007G单相变频器控制。电机均为变频调速专用电机,满足印刷设备低速恒转矩传动系统电机热容量要求。 
 3 控制电路设计
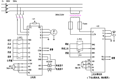
 变频器本身具备过电流、过电压、欠电压、接地、过热、过载、缺相等多项警示及保护功能,这些功能足以构成对电动机的保护,无须另加保护环节,直接接于变频器的输出端子上即可。而变频器的电源输入端保护相对较为薄弱,在电网和电柜进线处我们加有隔离开关分断装置,在三相变频器我们加有过流保护的无熔丝断路器,单相变频器前另加变压器保护,以防止有些地区电源电压过高直接损坏变频器。变频器的动作由PLC控制,控制线直接接于PLC的输出点上,中间无一接触器控制。故障继电器输出点接于PLC的输入点上,报警时整机停止动作。
 因本机有四个变频器,不可避免有干扰存在。我们布线时尽量避免控制线与电机线平行放置,无法避免时控制线尽量采用屏蔽电缆,并将屏蔽层及变频器、PLC、电机的接地端均单独良好接地。为使整机动作可靠,电柜采取强制制冷。电气原理如图1所示。
 
 
 图1 主辅传动电气原理
 4 变频器调试
 4.1 主电机变频器
 (1)主变频器工作参数:在主电机没有连接负载之前,首先设置FH组电机参数,正确输入电机铭牌上的数据,进行电机自调谐工作。然后输入P00组基本功能参数、P01组辅助功能参数和P02组开关量端子定义参数,调试使所有动作。主要参数设置如表1所示。
 表1 贝加特驱动的B&T2000-4T0110G主变频器工作参数
 功能码 名称 设定值 功能码 名称 设定值
 P00.01 频率设定 2模拟VF1给定, P01.18点动频率 2Hz
 P00.00 运行命令 1端子控制 ,P00.11 减速时间2 0.8s
 P00.10 加速时间1 10s, P02.00 D1端子 4正点
 P00.11 减速时间1 8s ,P02.01 D2端子 5反点
 P00.13 下限频率 2Hz ,P02.02 D3端子 2多段速2
 P01.03 停机方式 0减速停车 ,P02.03 D4端子 4加减速时间
 (2)变频器运行末端数显表转速显示:主机的转速和电流显示是在变频器的模拟输出端子上接一四位半直流电压数显表来显示相应值。因本机速度达到10000转以上,所以小数点去掉,但其不运转时仍有一小数值显示,显然这是不合适的。查看变频器说明书,多功能输出端子有三路。启用集电极YI输出,将之接入PLC的输入端子上,P02.10设为“5”变频器报警,可编程继电器输出端子TA、TC串入表的信号线上,P02.11设为“0”变频器运行,这样在保证有报警时仍有信号输入,又仅用一根短短的封头线实现了运行后才能显示数值。
 4.2 B&T800变频器
 上色水辊和制动辊等辅传动的低频大转矩单相小功率变频器B&T800功能简洁实用,但操作方式
 和功能与B&T2000有很大的不同。例如要用到快速50Hz上水及电位器调节两种速度模式,按图的接线方式控制需将参数05设为AV.Pr 电压模拟给定频率和预置频率选择,参数11启动/停机逻辑选择设为2,参数20预置频率设为50Hz才能完成控制。
 因水辊和制动辊的电机均是直连减速机,所以暂定用V/F方式控制。变频器参数输入后,低频时运行不起来,查电机接线仍为星形接法380V,因所选变频器为单相输入,输出是三相220V,应将电机改为三角形接法。正确接线后情况有所改善,但在5Hz时电机仍然无法正常运行,再上调频率时转速有些偏高。将参数42低频转矩提升值加大,此参数对电机性能影响较大,设置不当会引起过电流、过热、噪音大等不良影响,所以以能运转为准,调至7%,低速正常运行。八小时观察一切正常,调试结束。
 
 5 结束语
 贝加特驱动变频器优越的性能能完全满足整个设计所需,体贴现场的防接错设计,防止了因接错线损坏接口而造成的损失,对恶劣电网较强的适应能力,也使我们免除了一些后顾之忧。贝加特驱动变频器在此机型上批量使用两年多来,运行良好,从未出过故障,达到了我们设计选型的预期目标。
 |